|
商业机器脚轮-低重心高承载
 |
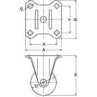
| 定货号 |
BMC-50RF |
| 轮子直径 (D) |
50 mm |
| 安装高度(H) |
77 mm |
| 底板尺寸(A
× B) |
70 × 70 mm |
| 孔距(X × Y) |
52 × 52 mm |
| 孔径 (P)Ø |
Ø 8.8 mm |
| 偏心距(E) |
nall |
| 转动半径 |
nall |
每个允许承载Load capacity/pce |
180 kg |
四个最大承载 (Recommended load/4 pcs) |
360 kg |
净重(Net weight) |
|
使用温度(Temperature range) |
|
|
|

|
①底板(Top plate) |
碳钢 |
②支架(Frame) |
碳钢 |
③ 轮子(Wheel) |
尼龙-6(Nylon-6) |
⑧ 表面处理 (Surface treatment) |
黑锌( Zinc galvanized ) |
|
|