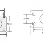
| 轮径 | 轮宽 | 承载 | 单轮 | 轴承 | 活动 | 固定 | 高度 | 转动半径 |
| 65 | 28 | 80 | 橡胶(硬) | 轴套 | 2-2689-54 | 2-2688-54 | 84 | 60 |
| 75 | 32 | 95 | 2-3689-54 | 2-3688-54 | 97 | 68 | ||
| 65 | 28 | 55 | 橡胶(软) | 轴套 | 2-2689-44 | 2-2688-44 | 84 | 60 |
| 75 | 32 | 55 | 2-3689-44 | 2-3688-44 | 97 | 68 | ||
| 65 | 28 | 80 | 聚烯烃 | 轴套 | 2-2689-52 | 2-2688-52 | 84 | 60 |
| 75 | 32 | 95 | 2-3689-52 | 2-3688-52 | 97 | 68 |



